微信公众号
学院首页
首 页
机构设置
部门简介
组织机构
工作职责
新闻动态
工作动态
规章制度
实验室规章制度
设备管理规章制度
实习实训规章制度
办事指南
设备采购
设备管理
平台使用手册
实验室
实验室管理
实验室建设
当前位置:
首页
设备处
>>
新闻动态
>>
工作动态
>>
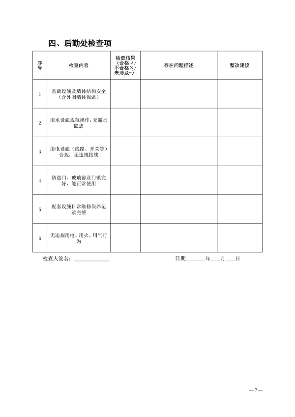
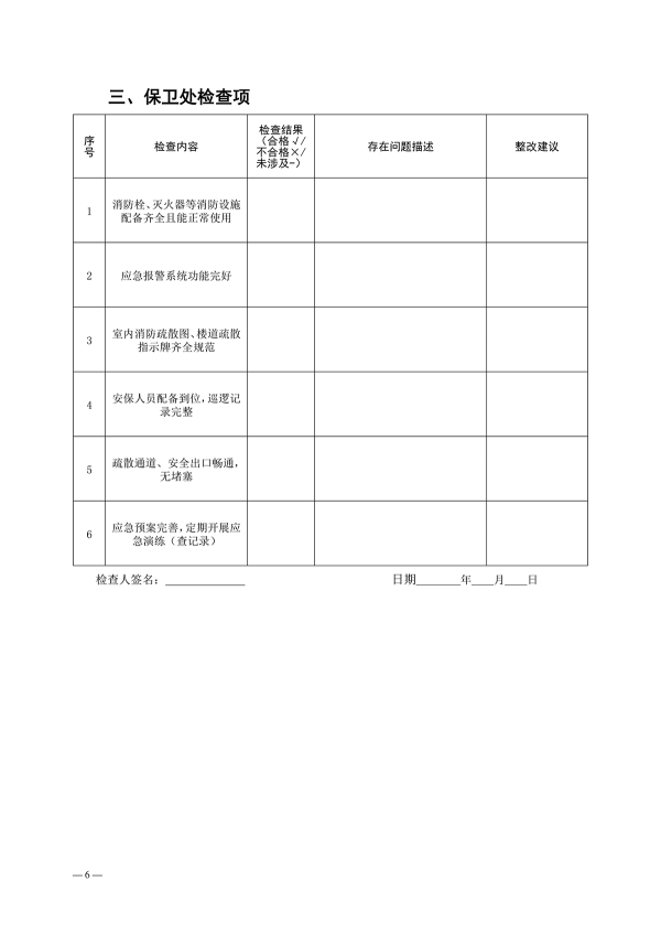
关于开展2025-2026学年第一学期期末实验室安全专项检查的通知
时间:
2026-01-15
作者:
湖南交通工程学院_管理员
浏览次数:
753
上一篇:
2025-2026 学年第一学期期末实验室安全专项检查
下一篇:
学校开展2025年度二级学院及教研室教学工作考核